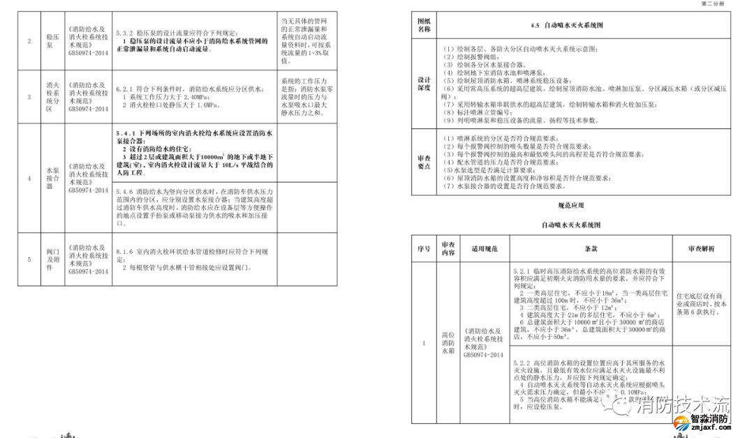
住宅建筑給排水專業消防設計圖審要點(深圳市)
文章出處:http://www.yeliqing.cn/責任編輯:消防檢測儀器設備人氣:644發表時間:2021-03-25 02:50:43
住宅建筑給排水專業消防設計圖審要點(深圳市)
《深圳建設工程消防設計審查指引》節選:住宅建筑給排水專業消防設計圖審要點












蘇州智淼消防主營:應急管理部發布最新消防檢測儀器設備全套配備、防雷檢測裝置,火災現場勘查箱、消防監督檢查驗收箱、消防測試煙槍、試水裝置、建筑消防設施檢測箱、電氣防火檢測設備等,消防檢測設備網址:http://www.yeliqing.cn/;電話:18910580194(何經理)
上一篇:一套農業農場視頻監控系統設計方案??|??下一篇:通信電源知識超級匯總!
此文關鍵字:住宅建筑給排水專業消防設計圖審要點(深圳市
推薦文章
- 室內消火栓、室外消火栓的保護距離是直線距離還是行走距離
- 14個強制性國家標準發布!覆蓋消防管理、火災探測報警、消防器具配件、防火涂料等重點領域
- 氣體啟動氣瓶的檢驗依據
- 自動噴水滅火系統工程消防施工質量驗收標準
- 甲類倉庫是否可以設置二層平臺?
- 自然排煙窗一定要形成對流才可以嗎
- 智淼新款一體式二合一煙溫試驗器及紅紫外火焰探測器功能試驗器
- 智淼新款一體式二合一煙溫試驗器及紅紫外火焰探測器功能試驗器
- 熱氣溶膠預制滅火系統不應設置在人員密集場所
- 氣體滅火管道屬于壓力管道嗎?






蘇公網安備32058102002157號